Informace

Byt, 1+1

Světlý jihovýchodně orientovaný byt s balkonem a garážovým stáním ve zvýšeném přízemí moderního viladomu s výhledem do zahrady, v žádané rezidenční lokalitě Prahy 5 - Hřebenky.

Byt tvoří obývací pokoj/ložnice se vstupem na prostorný balkon a okny do zahrady, plně vybavená kuchyň, spíž, koupelna s vanou, samostatná toaleta a prostorná předsíň. K bytu náleží sklepní kóje.

Laminátové plovoucí podlahy a dlažba, tepelně a hlukově izolační plastová okna, nový kondenzační plynový kotel Protherm, pračka. 1 garážové stání zahrnuto v ceně nájmu . Parkování pro hosty je možné na parkovišti před domem. Lokalita s plnou občanskou vybaveností, parky Klamovka a Ladronka, Strahov nabízející sportovní vyžití a dětské hřiště v bezprostřední blízkosti. Zastávky autobusu a tramvaje v docházkové vzdálenosti (3 minuty) s přímým spojením do komerčně-obchodního centra Anděl (6 minut). Poplatky za společné domovní služby cca 1500 Kč měsíčně. Energie budou převedeny na nájemce.

Vybavení

  • Sklep
  • Garáž

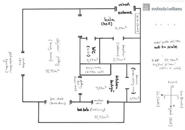
Půdorys

  • Půdorys 1

Přehledová tabulka

  • Referenční číslo
    21536
  • Měsíční nájemné
    Pronajato
  • Podlahová plocha *
    39 m²
  • Balkon
    11 m²
  • Celková plocha
    50 m²
  • Parkování
    1 garážové stání k dispozici.
  • Sklep
    Ano
  • PENB
    G
* Výměra jednotky dle občanského zákoníku. Plocha je tvořena součtem celé plochy jednotky a ohraničená obvodovými zdmi.

Lokalita

Okolí nemovitosti

Kontaktujte nás

nepovinné
nepovinné

Podívejte se také na další byty v lokalitě

Veškeré zveřejněné údaje obsažené v tomto inzerátu mají pouze informativní charakter a nejsou nabídkou ve smyslu § 1731 nebo § 1732 občanského zákoníku, ani se nejedná o veřejný příslib dle § 1733 občanského zákoníku. Z této nabídky tak nikomu nevzniká nárok na uzavření smlouvy. Společnost SVOBODA & WILLIAMS s.r.o. zprostředkovává údaje (informace) nabyté v dobré víře od vlastníka nemovité věci a z tohoto důvodu nenese odpovědnost ze jejich úplnost, správnost a přesnost. Současně není oprávněna uzavírat jménem vlastníka nemovité věci jakékoliv smlouvy spojené s prodejem nemovitosti.

Nejčerstvější nabídky do Vašeho e-mailu

Lokalita
Parametry
Velikost
Min.
Max.
Cenové rozpětí
Cena min.
Cena max.
Cenové rozpětí
Cena min.
Cena max.